×
[PR]上記の広告は3ヶ月以上新規記事投稿のないブログに表示されています。新しい記事を書く事で広告が消えます。

|
人力飛行機→フライトシム→RC飛行機→セキセイインコ飼育→上級滑空機ライセンス取得という空物好きです。
| |
失速と言う現象は、その言葉のイメージとは異なり速度を失うという現象ではありません。
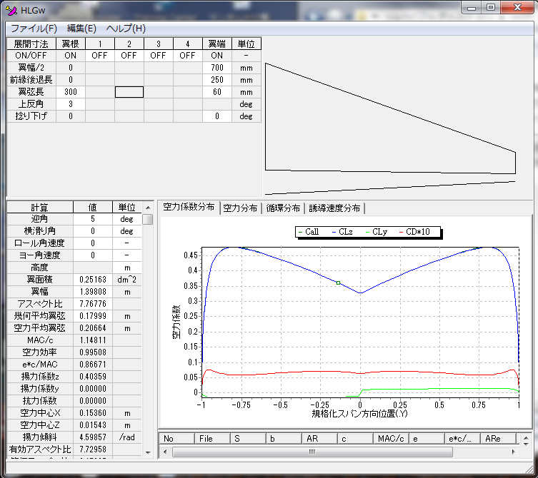
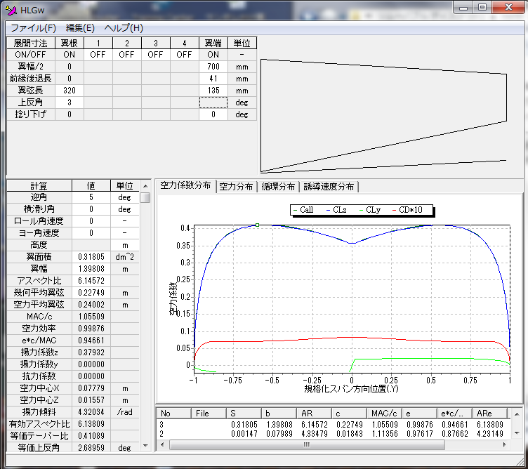
失速は気流と翼との角度(迎角)がある一定以上になると気流が翼面から剥離する現象のことで、速度とは関係なく発生します。 下図は迎角と揚力係数の関係を示したもので、翼断面の形状によって発生させる事が最大揚力係数は決まってしまいます。 迎角と揚力係数は正比例の関係にあるため、最大揚力係数を発生させることができる迎角も自動的に決まってしまいます。 ここで失速が起こる迎角を臨界迎角と言います。 さて、翼の平面形によって失速特性が良くなったり、翼端失速しやすくなったりします。 これは翼から常に出ている渦の影響によるものなのですが、これを視覚的に見るいいソフトがありました。 使い方は翼のサイズを入力するだけなので簡単です。 多段テーパーや多段上反角も入力できるので、コルセアなどの複雑な平面形も計算できます。 また平均空力翼弦(MAC)も算出してくれるので、単純テーパー以外の翼の重心位置を決める際にも非常に有効だと思います。 V-tailes HLGw Ver0.0 三次元翼の揚力分布計算 http://www.ac.cyberhome.ne.jp/~v-tails/index.html まずは矩形翼。 翼端部分での渦による吹き下ろしの影響が大きく翼端の有効迎角が減少し、翼端の揚力係数が減少します。 その為、翼根部分が一番揚力係数が高くなります。。 よって失速は有効迎角が大きい翼の根元付近から始まるため、穏やかな失速となります。 練習機が矩形翼である大きな理由の1つはここにあります。 テーパー翼。 テーパー比はFMS BIG ZEROと同じ0.42です。 最大揚力係数は翼中央付近なので、失速は翼の中央部から始まります。 適度なテーパー比を持った翼は楕円翼の揚力分布に近くなるため、渦による誘導効力を下げることができます。 失速を起こすと巻き込むように墜落するケースが多いですが、これは必ずしも翼端失速によるものとは限りません。 実際の翼は完全な左右対称ではありませんし、特にラジコンの場合は横滑りも起こしていますので、必ずどちらかの翼が先に失速を起こします。 一度失速を起こすと、揚力低下+抗力増加 → ロール → ロール角速度による更なる迎角増加 → 更に深い失速 → 深いロール →・・・・と、自転を起こしてしまいます。 キツいテーパー翼。 翼端部分の揚力係数が高いため、翼端失速しやすくなります。 デルタ翼ではさらに顕著になります。 楕円翼。 渦による吹き下ろしが均一に発生するため、翼のスパン方向に揚力係数は一定になります。 楕円翼は理論上翼全体が同時に失速します。 また翼端まで揚力係数が高いため、翼端失速を起こしやすいです。 学生時代、この3次元翼の揚力分布を計算するレポートが出されて、Fortranで組んだ記憶があります。 今はもうすっかり忘れてしまいました。 ソースコード取っておけば良かったです。。。 PR コメントを投稿する
<<重心位置と平均空力翼弦 | ブログトップ | プロフィール
HN:
だいこん
性別:
男性
カレンダー
カテゴリー
最新コメント
[10/31 たかし]
[10/28 たかし]
[10/27 たかし]
[10/05 tomo]
[10/02 tomo]
P R
|